Sơ đồ công nghệ thiết kế xử lý nước thải nhiễm dầu tối ưu cho các cơ sở xăng dầu, kho chứa xăng dầu
Nước thải nhiễm dầu không chỉ ảnh hưởng nghiêm trọng đến môi trường, hệ vi sinh vật mà còn tác động xấu đến cuộc sống con người, sự phát triển kinh tế xã hội. Dưới đây VINACEE Việt Nam sẽ gửi đến các bạn một số cách xử lý nước thải bị nhiễm dầu, cũng theo dõi ngay nhé.
1. Nước thải nhiễm dầu là gì?
Nước thải nhiễm dầu là nước thải có chứa thành phần chính là dầu khoáng, ngoài ra còn đất sét, cặn lắng, rác cùng các chất hoạt động bề mặt.

2. Nước nhiễm dầu phát sinh từ đâu?
Có nhiều nguồn gây nên tình trạng nước thải nhiễm dầu như: từ những giàn khoan dầu, sự cố tràn dầu hay nước thải phát sinh từ nhà máy lọc hóa dầu, từ các hoạt động của kho chứa xăng dầu hoặc đơn giản từ quá trình sử dụng xăng dầu hằng ngày của con người,…
3. Tại sao cần xử lý nước thải nhiễm dầu?
Dầu là một chất lỏng sáng với mùi đặc trưng, nhẹ hơn nước và có khả năng tồn tại lên đến 50 năm. Do khả năng bị oxy chậm, không hòa tan khiến cho quá trình xử lý chất thải nhiễm dầu khó khăn. Nó còn hình thành nên lớp màng bao quang chất rắn lơ lửng, ảnh hưởng tới khả năng lắng, nổi của chất rắn.

Nước thải nhiễm dầu gây ảnh hưởng nghiêm trong đến môi trường, hệ sinh thái cũng như cuộc sống con người do vậy cần có cách xử lý nước bị nhiễm dầu hiệu quả.
4. Phương pháp xử lý nước thải nhiễm dầu thông dụng
Phương pháp keo tụ, tuyển nổi - lọc hấp phụ gần như được xem là phương pháp thông dụng nhất: phương án này có chi phí thực hiện rẻ, dễ thực hiện nhưng không xử lý triệt để vấn đề, do các phân tử dầu khoáng có kích thước siêu bé khó để thực hiện keo tụ hay tuyến nổi hoàn toàn, sau xử lý thông thường nước vẫn còn dầu.
Sơ đồ hiện đại, tiên tiên, áp dụng cho cơ sở có nhu cầu tuần hoàn, tái sử dụng nước thải.

Mặt bằng bố trí công tình tương đương

Ngoài ra phương pháp hấp phụ bằng vật liệu: cho hiệu quả lọc bỏ triệt để bằng những vật liệu nhanh như: Vải lọc dầu, vải hút dầu, bông hút dầu, vải thấm dầu được thiết kế trong bể lọc dầu gara hay kho chứa xăng dầu, cây xăng. Tuy vậy cần phải xử lý tốt cặn lơ lửng vì các vật liệu này thường dễ tắc đặc biệt đối với loại nước nhiễm dầu có hàm lượng TSS cao, đồng thời chi phí xử lý cũng cao.
5. Thuyết minh quy trình công nghệ xử lý
Nước thải nhiễm dầu sẽ được thu gom, điều hòa các lưu lượng nồng độ và ổn định độ pH. Sau đó, sử dụng công nghệ cải tiến để tách dầu, nước mặt được thiết bị vớt dầu ra khỏi nước, lúc này dầu được thu gom đến bể chứa dầu
Dầu thô cải tiến được thiết kế có tấm vách nghiêng để loại bỏ những phần cặn thô, đồng thời tạo điều kiện cho các hạt dầu nổi lên trên mặt nước. Bằng thiết bị tách dầu tự động, dầu sẽ được loại bỏ. Phần cặn của dầu thô được đưa về bể chứa dầu.
Nước tiếp tục được bơm vào bể phản ứng, keo tụ tạo bông để thực hiện các quá trình chỉnh pH, hóa chất keo tụ. Dưới tác dụng của hệ thống thổi khí, khả năng tiếp xúc tăng, hòa trộn nhanh và tạo điều kiện thuận lợi cho việc hình thành bông cặn.
Hệ thống lắp đặt thực tế tại các dự án
Sau các giai đoạn, phần lớn dầu thô, BODs, COD, chất rắn,… đã được loại bỏ ra khỏi nước, đạt tiêu chuẩn về QCVN 29:2010/BTNMT
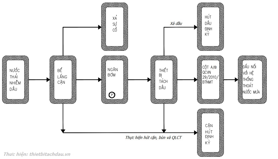
Ngoài ra còn một số Quy trình xử lý nước thải nhiễm dầu giản đơn cho các kho chứa xăng dầu, gara ô tô vẫn đảm bảo những hiệu quả cơ bản
Sơ đồ xử lý nước thải nhiễm dầu giản đơn
Trên đây là một số thông tin về cách xử lý nước bị nhiễm dầu mà VINACEE Việt Nam đã tổng hợp lại. Hy vọng với bài viết trên bạn đọc đã có thêm nhiều thông tin hữu ích. Đừng quên theo dõi các tin tức khác trên website: vinacee.com hoặc betachmo.vn để tìm hiểu thêm nhiều điều thú vị khác nhé. xem thêm bể tách dầu mỡ TẠI ĐÂY

====================================================================
LIÊN HỆ ĐẶT HÀNG HOẶC NHẬN TƯ VẤN MIỄN PHÍ
KS Trần Hồng Gấm ĐT: 0982309689/ ThS. Nguyễn Hữu Tuyên (0942226986)
Công ty CP Kỹ thuật Môi trường và Xây dựng VINACEE Việt Nam
Địa chỉ: Đội 1 Tả Thanh Oai, huyện Thanh Trì, TP Hà Nội
VPGD: Tầng 2, Tòa nhà Số 25A, Tân Mai, Hoàng Mai, Hà Nội
Liên hệ: ĐT 02432013589, E- Mail: vinaceeco@gmail.com




Viết bình luận